
Реле управління контакторної системою перемикання РЧ-417 (PCG-417)
Ціну уточнюйте
Мінімальна сума замовлення на сайті — 1 000 ₴
- Під замовлення
- Оптом і в роздріб
Відправка з 16 квітня 2026- +380 (67) 482-67-97Менеджер
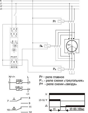
Дія: реле РЧ-417 має спеціальну систему двох електромагнітних реле, яка виключає можливість включення двох контакторів одночасно. Кожне реле керує відповідним контактором. У момент перемикання з системи ЗІРКА на систему ТРИКУТНИК спочатку роз'єднується контактор "зірки", потім настає примусовий тимчасової перерву, після якого друге реле включає систему "трикутника". Після включення живлення контакти 3-5 замикаються і залишаються в такому стані протягом часу запуску t1. Після закінчення часу t1 контакти 3-5 розмикаються і обидва контакту залишаються розімкнутими протягом часу t2. Після закінчення часу t2 замикаються контакти 3-7 і залишаються в такому положенні до моменту вимкнення напруги живлення.
| Технічні характеристики: | |
| напруга живлення | 220 В~ / 24 В~/= |
| максимальний струм навантаження | 2х8 А |
| групи вихідних контактів | 2 перемикаючих |
| час запуску ЗІРКА | від 1 до 1000 мс |
| час перемикання | 75 – 150 мс |
| споживана потужність | 0,8 Вт |
| приєднання проводів | затискачі гвинтові 2,5 мм2 |
| витривалість контактів | 105 включень |
| діапазон робочих температур | від -25°С до +50°С |
| ступінь захисту | IP40 |
| габаритні розміри | 1 модуль типу S (17,5 мм) |
| монтаж пристрою | на DIN-рейці 35 мм |

- Ціна: Ціну уточнюйте

