
Реле часу РЧ-510 220/24В 10А 1S (PCU-510)
Ціну уточнюйте
Мінімальна сума замовлення на сайті — 1 000 ₴
- Під замовлення
- Оптом і в роздріб
Відправка з 16 квітня 2026- +380 (67) 482-67-97Менеджер
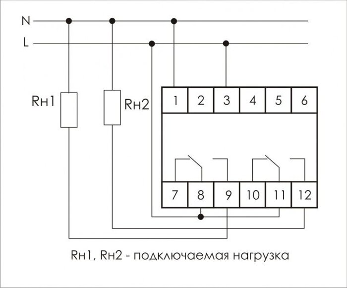
Призначення: реле часу програмоване PCU-510 призначений для включення/вимикання споживачів в системах промислової та побутової автоматики: у вентиляційних, опалювальних, освітлювальних і т. п. на заданий відрізок часу.
Дія:
Затримка вимкнення (IA)
До включення реле контакти залишаються в позиції 11-10. У момент включення живлення (світиться зелений світлодіод U) контакти вихідного реле пристрою замикаються (позиція 11-12) і починається відлік встановленого часу t (світить червоний світлодіод), по закінченні якого контакти повертаються в початковий стан (позиція 11-10). Після вимкнення напруги живлення і її повторної подачі робочий режим реле реалізується знову.
Затримка включення (IR)
Перед моментом включення і в момент включення (світить зелений світлодіод U), контакти вихідного реле пристрою залишаються розімкнутими (позиція 8-7, 11-10) і починається відлік встановленого часу t, по закінченні якого контакти замикаються (позиція 8-9, 11 12, світить червоний світлодіод). Після вимкнення напруги живлення і її повторної подачі робочий режим реле реалізується знову.
Затримка вимкнення циклічна (CA)
Режим роботи затримки вимкнення реалізується циклічно з однаковими періодами встановленого робочого часу і часу перерви.
Затримка включення циклічна (CR)
Режим роботи затримки включення реалізується циклічно з однаковими періодами встановленого робочого часу і часу перерви.
Установка перемикача тимчасового діапазону в положення:
ВКЛ – призводить до тривалого замикання контактів вихідного реле при ввімкненому живленні (позиція 11-12).
ВИКЛ – призводить до тривалого розмикання контактів вихідного реле при ввімкненому живленні (позиція 11-10).
| Технічні характеристики: | |
| напруга живлення | 220 В~ / 24В~/= |
| максимальний струм навантаження | <(2х8 А) |
| контакт | 2 на перемикання |
| час роботи | 0,1 с - 24 год |
| затримка спрацювання | < 50 мс |
| сигналізація харчування | зелений світлодіод |
| сигналізація стану контактів | червоний світлодіод |
| споживана потужність | 0,8 Вт |
| робоча температура | від -25°С до +50°С |
| приєднання проводів | затискачі гвинтові 2,5 мм2 |
| габаритні розміри | 1 модуль типу S (17,5 мм) |
| монтаж пристрою | на DIN-рейці 35 мм |

| Основні | |
|---|---|
| Виробник | IR |
- Ціна: Ціну уточнюйте

